Relive Campers
PROPEX HS2000E GAS & MAINS HEATER
PROPEX HS2000E GAS & MAINS HEATER
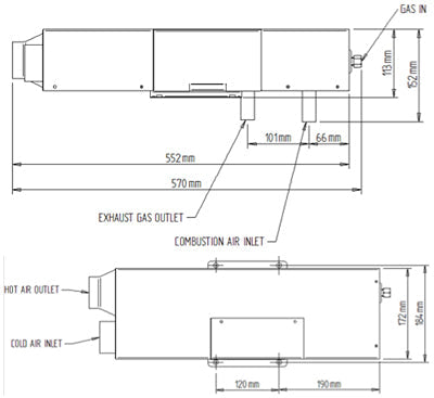
Specifications
Specifications
Propex HS2000E Heater - The Gas & Mains Blown Air Heater
The Propex HS2000E heater is an automatic thermostatically controlled blown air heating system fuelled by propane/ butane gas or 230V mains electric.
The HS2000E is supplied as standard with a solid state electronic thermostat which automatically switches the unit on and off to maintain the desired temperature. When the room temperature drops below the selected level, the Heatsource will automatically ignite and run until the cabin reaches the selected temperature.
Propex heaters are designed to be quiet in operation without compromising air throughput and heat output. There will always be some air noise from a system that produces a healthy throughput of air, however, by using high quality balanced fans and smooth enclosed motors with ball race bearings, noise is kept to a minimum. Noise is also unaffected by high voltage, a common occurrence with battery charges, solar panels etc permanently wired. The micro-processor electronics regulates the motor voltage so that the fan speed does not alter between 10 to 15 volts.
Kit contains:
- 1 x 1 metre 60mm ducting
- 1 x Digital Control Panel
- 1 x 1 metre combustion inlet pipe
- 1 x 0.75 meter Stainless Steel Exhaust pipe
- 1 x Thermostat
- 3.5 metres thermostat wiring harness
- 3.5 metres 12v supply harness
- 1 directional hot air outlet
- 1 directional cool air return vent
- hose clips, fasteners, screws, inline fuse, instructions, drilling template
Couldn't load pickup availability


